If you need any help, please feel free to contact us
If you have any further questions, please call +86-021-37566990 or fill out the inquiry form.
Get couponsPrinciple and Features: The LF602 series adopts a magnetic induction technology sensor for liquid level measurement. The signal is processed by the rear processing circuit and converted into a standard industrial electrical signal output and display.
Under the buoyancy of the liquid, the float moves up and down along the guide rod, continuously triggering the magnetic switches in the guide rod. The magnetic switches control the number of resistances that are turned on or off, converting the liquid level changes into resistance changes. The resistance value is then processed by the rear circuit and converted into a standard electrical signal output and display.
Full metal housing design
Uses LCD digital display, enabling this series of products to be used in various industrial applications.
Dual-key design and user-friendly menu make the product easier to use.
Multiple connection methods can fully meet various specific installation requirements.
A display head that can be rotated 330° ensures the best viewing angle under different installation methods.
Measuring range: User-defined
Measuring medium: Corrosion compatible
Pressure resistance: 50bar
Medium density: ≥0.7g/cm³
Power supply voltage: 12...30Vdc
No-load current consumption: Max 30mA, at 24Vdc supply
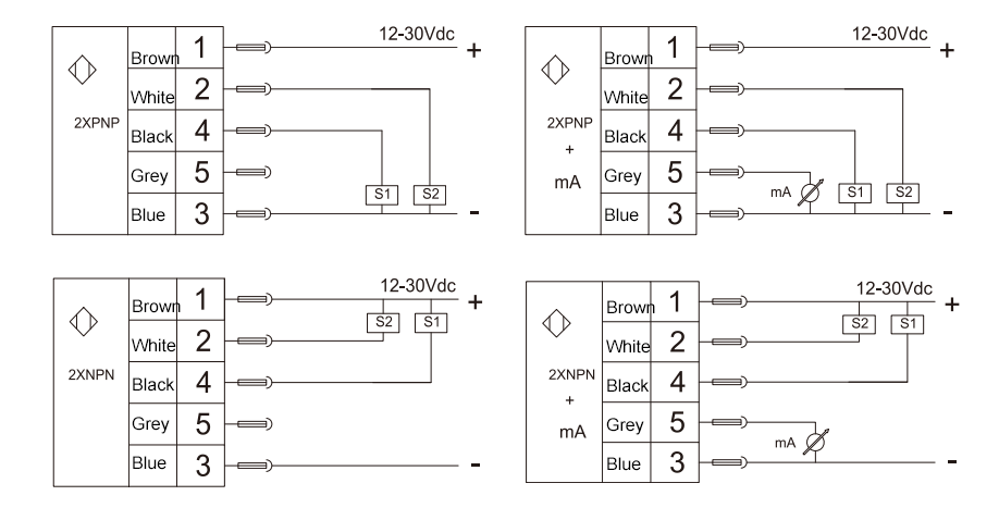
Switch output: Output type: PNP/NPN switchable, normally open or normally closed optional, S1, S2 configurable
Output current: <500mA
Response time: <10ms
Resolution: 5, 10mm
Analog output (current type): ≤±0.5% of range
Output type: 4...20mA configurable
Load RA: ≤0.5KOhm
Linearity: ≤1.5% of range
Wiring protection: Reverse polarity, overload, short-circuit protection
Display:
Design: Red 4-digit 8mm high-brightness LED
Display range: 999...9999
Stability (annual drift): ≤±0.3% of range
Temperature:
Medium temperature: -20...80℃
Ambient temperature: -20...80℃
Storage temperature: -30...80℃
Materials:
Display head housing: Engineering plastic
Housing: Stainless steel 304
Medium contact parts: PFA corrosion-resistant material
Float: PFA corrosion-resistant material
Protection grade: IP56
Cable outlet method: M12x1 connector
- Food/Pharmaceutical
- Power Plant
- Petrochemical
- Pulp/Paper
- Water Treatment
- Boiler


| Needle | Cable | Signal |
| 1 | Brown | 24v+ |
| 2 | White | S2 |
| 3 | Blue | 24v- |
| 4 | Black | S1 |
| 5 | Grey | mA |

| LF602- | A | P | A | S | L | B | F5 | Detailed Description |
| LF602- | LF602 Series Electronic Level Switch Sensor | |||||||
| A | 2 switch outputs | |||||||
| B | 2 switch outputs + 1 analog output 4-20mA | |||||||
| C | 2 switch outputs + 1 analog output 1-5V | |||||||
| D | 2 switch outputs + 1 analog output 0-10V | |||||||
| P | PNP output | |||||||
| N | NPN output | |||||||
| A | G1 male threaded connection | |||||||
| B | Flange connection | |||||||
| C | Sanitary clamp connection | |||||||
| Customized thread | ||||||||
| S | M12*1 connector (standard 2m cable) | |||||||
| L | Measuring range: L= mm (unit) | |||||||
| B | Float material: NBR | |||||||
| X | Float material: 304 stainless steel (analog output not available) | |||||||
| S | Special customization (corrosion-resistant) | |||||||
| F5 | Resolution: 5mm | |||||||
| F10 | Resolution: 10mm | |||||||
| * The selection table is for parameter selection only, the product is shipped according to the corresponding parameter code. * The alarm point value decreases as it moves from the electronics toward the end of the tank. |
||||||||
Shanghai Kayuan Electronic Technology Co.,Ltd is an enterprise specializing in the production and R & D of industrial sensors and controllers. Its main products include switches and sensors for flow, pressure, temperature, and liquid level. Electronic digital liquid level switch sensor-LF602 Suppliers in China.
In 2008, our assembly plant was established in Shanghai China,PAKU INTELLIGENT EQUIPMENT(SHANGHAI)CO.,LTD a subsidiary of Kayuan to produce the PAKU series of products. As Electronic digital liquid level switch sensor-LF602 Factory, PAKU products are now widely used in different industries, including automation complete sets of equipment, petroleum equipment, chemical equipment, power equipment, welding equipment, steel equipment, metallurgical equipment, automobiles, and water treatment. We adopt advanced technology and manufacturing processes across the board. With our professional design and production technology, comprehensive product lines, excellent quality, and sales network services, we can not only provide users with timely and professional technical support but also offer high - quality one - stop services.
We have served many customers at home and abroad, and offer Electronic digital liquid level switch sensor-LF602 Wholesale, our products are sold to countries such as Canada, the United States, Brazil, Indonesia, Vietnam, Thailand, and Russia. We welcome extensive cooperation with OEM and ODM customers.