If you need any help, please feel free to contact us
If you have any further questions, please call +86-021-37566990 or fill out the inquiry form.
Get couponsSN51C series insertion impeller flow sensor and an intelligent flow switch, is a compact flow sensor, with small size, easy to set up and other advantages, built-in intelligent circuitry, can be set arbitrarily flow upper and lower limits of the alarm value can be set remotely to monitor the real-time flow conditions, the full range of parameters on-site arbitrary setup, and its impeller measuring medium through the flow through the sensor intelligent circuitry to process arbitrary programming.
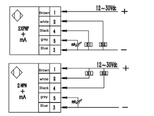
Hall-type pulse output, open collector PNP/NPN, strong driving ability.
-High chemical resistance
-IP65 protection class, suitable for harsh field environment.
-Plug-in type for easy installation
-Good stability, strong anti-interference ability
-Good reliability, maintenance-free
| Flow rate range | 0.15 ~6m/s | ||||
| Pipe diameter range | DN15-DN600 (½ - 24 inch) | ||||
| Supply voltage | DC 5 ~24V | ||||
| Repeatability accuracy/linearity accuracy | ± 1.5℅ full scale | ||||
| Temperature and pressure | PP Body | 12.5bar@25℃ 1.7bar@90℃ PVDF Body 14.0bar @25℃ 1.7bar@100℃ |
|||
| PVDF Body | 14.0bar@25℃ 1.7bar@100℃ | ||||
| Overflow Components | Sensor body | PP/PVDF | |||
| O-ring | FPM/EPDM | ||||
| Impeller | PVDF | ||||
| Bearing/Shaft | High-temperature oxide pick ZrO2 (ceramic) | ||||




| SN51C- | A | P | 25 | A | 1 | A | Detailed description | ||||||||||||||
| SN51C- | SN51C Series Insertion Impeller Flow Sensor | ||||||||||||||||||||
| A | Local display | ||||||||||||||||||||
| B | No display | ||||||||||||||||||||
| P | PNP Output | ||||||||||||||||||||
| N | NPN Output | ||||||||||||||||||||
| M | Pulse Output | ||||||||||||||||||||
| 25 | Pipe diameter: DN25 | ||||||||||||||||||||
| 32 | Pipe diameter: DN32 | ||||||||||||||||||||
| 40 | Pipe diameter: DN40 | ||||||||||||||||||||
| DN... | Specify the specific pipe diameter when ordering (DN15-DN600) | ||||||||||||||||||||
| B | Impeller material :PVDF | ||||||||||||||||||||
| 1 | Body material :304 stainless steel | ||||||||||||||||||||
| 2 | Body material :PP | ||||||||||||||||||||
| 3 | Body material: CPVC | ||||||||||||||||||||
| 4 | Body material: PVDF | ||||||||||||||||||||
| 5 | Body material :PTFE | ||||||||||||||||||||
| A | Shaft :ZrO2 | ||||||||||||||||||||
| 1 | Two switching outputs | ||||||||||||||||||||
| 2 | Two switching + analogue 4-20mA outputs | ||||||||||||||||||||
| 3 | Two switches + pulse output | ||||||||||||||||||||
| T | Default temperature range :0-100℃ | ||||||||||||||||||||
| T... | Customised temperature range | ||||||||||||||||||||
| * The selection table is for parameter selection only and is shipped with the corresponding code for the parameter. | |||||||||||||||||||||
Shanghai Kayuan Electronic Technology Co.,Ltd is an enterprise specializing in the production and R & D of industrial sensors and controllers. Its main products include switches and sensors for flow, pressure, temperature, and liquid level. Insertion Impeller Flow Sensor-SN51C Suppliers in China.
In 2008, our assembly plant was established in Shanghai China,PAKU INTELLIGENT EQUIPMENT(SHANGHAI)CO.,LTD a subsidiary of Kayuan to produce the PAKU series of products. As Insertion Impeller Flow Sensor-SN51C Factory, PAKU products are now widely used in different industries, including automation complete sets of equipment, petroleum equipment, chemical equipment, power equipment, welding equipment, steel equipment, metallurgical equipment, automobiles, and water treatment. We adopt advanced technology and manufacturing processes across the board. With our professional design and production technology, comprehensive product lines, excellent quality, and sales network services, we can not only provide users with timely and professional technical support but also offer high - quality one - stop services.
We have served many customers at home and abroad, and offer Insertion Impeller Flow Sensor-SN51C Wholesale, our products are sold to countries such as Canada, the United States, Brazil, Indonesia, Vietnam, Thailand, and Russia. We welcome extensive cooperation with OEM and ODM customers.