If you need any help, please feel free to contact us
If you have any further questions, please call +86-021-37566990 or fill out the inquiry form.
Get couponsThe SN52D series impeller flow sensor is also an intelligent flow and temperature switch. It is a compact flow and temperature sensor featuring small size and easy setup. With a built-in intelligent circuit, it allows arbitrary setting of flow and temperature upper and lower alarm limits and enables remote monitoring of real-time flow and temperature conditions. All parameters can be set freely on-site. The impeller measures the medium's flow, and temperature is processed through the intelligent circuit for programmable output.
Hall-effect pulse output, open-collector PNP/NPN, strong drive capability
High chemical corrosion resistance
IP65 protection grade, suitable for harsh environments
Insertion type, easy to install
Good stability and strong anti-interference capability
High reliability, maintenance-free

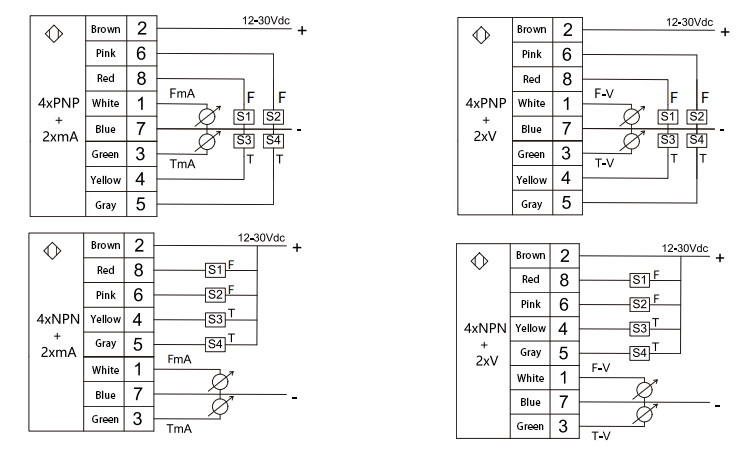
| Needle | Cable | Signal |
| 1 | White |
Flow mA |
| 2 | Brown | 24V+ |
| 3 | Green | Temperature mA |
| 4 | Yellow |
T1 Low Temperature Alarm |
| 5 | Grey |
T2 High Temperature Alarm |
| 6 | Pink |
F2 High Flow Alarm |
| 7 | Blue | GND |
| 8 | Red |
F1 Low Flow Alarm |

|
Flow velocity range |
0.15~6m/s |
|
|
Pipe diameter range |
DN10-DN32 |
|
|
Power supply voltage |
DC 5~24V |
|
|
Repeatability accuracy / Linearity accuracy |
±1.5% F.S. |
|
|
Temperature and Pressure
|
PP Body |
12.5bar @ 25℃, 5bar @ 90℃ PVDF Body: 14.0bar @ 25℃, 1.7bar @ 100℃ |
|
PVDF Body |
14.0bar @ 25℃, 5bar @ 100℃ |
|
|
Wetted Parts
|
Sensor Body |
POM / Aluminum / Stainless Steel |
|
O-ring |
FPM/EPDM |
|
|
Impeller |
PVDF |
|
|
Bearing / Shaft |
High-Temperature Zirconia (ZrO₂) Ceramic |
|
| SN52D- | A | P | 1 | A | A | B | 1 | 0-100 | A |
Detailed |
|
| SN52D- |
SN52D Series Impeller Flow and Temperature Integrated Sensor |
||||||||||
| A |
Pipe Diameter: DN10 |
||||||||||
| B C |
Pipe Diameter: DN15 Pipe Diameter: DN20 |
||||||||||
| D |
Pipe Diameter: DN25 |
||||||||||
| E DN |
Pipe Diameter: DN32 Specify pipe diameter when ordering |
||||||||||
| P N |
PNP Output NPN Output |
||||||||||
| 1 |
Internal Thread Connection |
||||||||||
| 2 | A |
External Thread Connection Impeller Material: PVDF |
|||||||||
| A |
Shaft: ZrO₂ |
||||||||||
| A B |
Display Material: POM Display Material: Aluminum |
||||||||||
| C | 1 |
Display Material: Stainless Steel Body Material: POM |
|||||||||
| 2 |
Body Material: PVC |
||||||||||
| 3 4 |
Body Material: Aluminum Body Material: Stainless Steel |
||||||||||
| ... |
Customized Temperature Range: 0–100℃ |
||||||||||
| A B |
2 Flow Switch Outputs 2 Temperature Switch Outputs + 1 Temperature 4–20mA Output |
||||||||||
| C D |
2 Flow Switch Outputs + 1 Flow 4–20mA Output 1 Temperature 4–20mA Output |
||||||||||
| E |
1 Flow 4–20mA Output |
||||||||||
| F G |
2 Analog 4–20mA Outputs (Temperature, Flow) 4 Switch Outputs (Temperature, Flow) |
||||||||||
| H |
4 Switch Outputs (Temperature, Flow) + 2 Analog Outputs |
||||||||||
| 1 2 |
Inline Type (Internal/External Thread Optional) Insertion Type (Minimum Welded Pipe Size DN10) |
||||||||||
| *Selection table is for parameter configuration only. Factory production based on parameter-to-code mapping. | |||||||||||
Shanghai Kayuan Electronic Technology Co.,Ltd is an enterprise specializing in the production and R & D of industrial sensors and controllers. Its main products include switches and sensors for flow, pressure, temperature, and liquid level. Impeller flow and temperature integrated sensor SN52D Suppliers in China.
In 2008, our assembly plant was established in Shanghai China,PAKU INTELLIGENT EQUIPMENT(SHANGHAI)CO.,LTD a subsidiary of Kayuan to produce the PAKU series of products. As Impeller flow and temperature integrated sensor SN52D Factory, PAKU products are now widely used in different industries, including automation complete sets of equipment, petroleum equipment, chemical equipment, power equipment, welding equipment, steel equipment, metallurgical equipment, automobiles, and water treatment. We adopt advanced technology and manufacturing processes across the board. With our professional design and production technology, comprehensive product lines, excellent quality, and sales network services, we can not only provide users with timely and professional technical support but also offer high - quality one - stop services.
We have served many customers at home and abroad, and offer Impeller flow and temperature integrated sensor SN52D Wholesale, our products are sold to countries such as Canada, the United States, Brazil, Indonesia, Vietnam, Thailand, and Russia. We welcome extensive cooperation with OEM and ODM customers.